Controladores de Temperatura
El Controlador de temperatura con Inteligencia utiliza hoy en día el microordenador monolítico más avanzado como mainframe, reduce el montaje periférico, y mejora su confiabilidad. Adopta el método de control usando una vaga teoría combinada con el control PID tradicional, y hace que el proceso de control tenga la ventaja de contar con una respuesta rápida, pequeños sobrecalentamientos y gran estabilidad en relación a su precisión.
El Controlador de temperatura con inteligencia cuenta con un funcionamiento de alto rendimiento, alta confiabilidad, entrada completa y su función es adecuada para toda ocasión que requiera la medición y el control de temperatura, también es compatible con otros parámetros de medición y control industrial.Adopta una estructura modular y promueve su rendimiento global.
El medidor es operado con 4-teclas, doble hilera con una pantalla de 4-LED para desplegar el valor de la medición así como el valor ajustado o el valor medido y el valor de salida, con una activación manual / automática y con el ajuste de su propia función con un volumen pequeño el cual es característico, así como con un bajo consumo de energía, una operación conveniente y un funcionamiento constante y confiable. Actualmente son ampliamente utilizados para los sistemas de control automático en las maquinarias, el giro
Conexión
- Tome la alta microprocesador spped control, situada en el interior con el interruptor de doble protección, tiene regulador PID temperaturas y la función adaptada automática.
- La configuración automática de la mejor parámetro de condición, el control de temperatura de la tolerancia de ± 1 ° C.
- Utilice la función de arranque suave cuando los elementos de calefacción eléctrica se encuentran en situaciones de frío, comenzando a calentarse después de secado, para prolongar la vida de los elementos calefactores de trabajo.
- Varias funciones de alarma y proteger las funciones cuando termopar corta, conexiones opuestas, cortocircuito, exceso o baja temperatura. Puede proteger plenamente resistencia y el termopar, seguridad Keeo.
- La conexión de salida utiliza el enchufe estándar de la industria internacional, ampliamente utilizado en el sistema de canal caliente en todo el mundo.
Explicación del Panel
- PV----Indicador del Valor Medido (rojo)
- SV----Indicador del Valor Ajustado (verde)
- ALM1- Indicador alarma límite superior (rojo)
- ALM2- Indicador alarma límite inferior (rojo)
- A-M----Lámpara indicador manual o autoajuste (verde)
- OUT----Indicador de Salida (verde)
- SET----Tecla de función
- Datos automáticos/Tecla de función para activación manual
- Tecla para reducir datos
- Tecla para añadir datos
VENTAJAS
- Compensación automática por falla de la termocupla, pasando automáticamente a trabajar manual, con un % de potencia promedio de los últimos minutos, esto hace que el molde siga trabajando normalmente.
- Soft-start automático.
- Indicación visual de la temperatura deseada y requerida.
- Posibilidad de controlar el % de potencia entregada
- Amperímetro incluido
- De acuerdo a sus características
- EL PRECIO MAS BAJO DEL MERCADO
- Entrega inmediata
- Garantía y asesoramiento
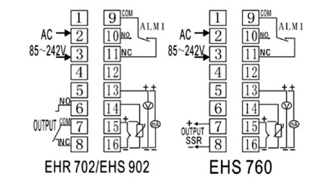
Diagrama de Cableado:
HER 702/EHS 902/EHS 760
Nota: El voltaje de linearidad bajo un rango de voltaje de 1V puede entrar por terminal 15,16 con señal de 0,5V y de 1,5V puede entrar por terminal 13,16,4,20mA la linearidad de la corriente de entrada puede alcanzarse cambiando la Resistencia a 250Ω ó a 50Ω de 1V - 5V ó de 0.2V - 1V de voltaje de señal, y luego entrar hacia la terminal 13,16 ó a la terminal 15,16.
HET 402/EHT 460
Nota: El rango de linearidad comprendido en 1V puede entrar a la terminal 4-5, con una señal de 0-5V y de 1-5V puede entrar a la terminal 2-5. Una corriente de entrada de linearidad de 4-20mA puede alcanzarse cambiando la resistencia a 250Ω ó a 50Ω de 1 - 5V ó de 0.2 - 1V de señal de voltaje, y luego a la entrada de la terminal 13-16 ó de la terminal 15-16.
Control de Transferencia de Presión de Larga Distancia
YTZ-150 manómetro de presión para la transferencia a larga distancia de la resistencia acoplado con el método de ajuste: Parámetro de ajuste del instrumento: Sn=27 dP Posición del punto decimal:P-SL Límite inferior de entrada: P-Sh límite superior de entrada Pb activación de la entrada.
(Nota: Rango de Despliegue = Datos del límite superior desplegados – Datos del límite inferior desplegados; Rango de resistencia = rango del manómetro de presión para transferir la resistencia a larga distancia; resistencia de inicio = Datos de la resistencia correspondientes al manómetro de presión de resistencia transferida a larga distancia; Rango completo de resistencia = Datos de la resistencia correspondientes al manómetro de presión de resistencia transferida a larga distancia; Rango de inicio=datos de límite inferior desplegados; rango completo = datos del límite superior desplegados).


